ONE游戏(中国)有限公司官网-皇马巴塞赞助商

车载娱乐系统

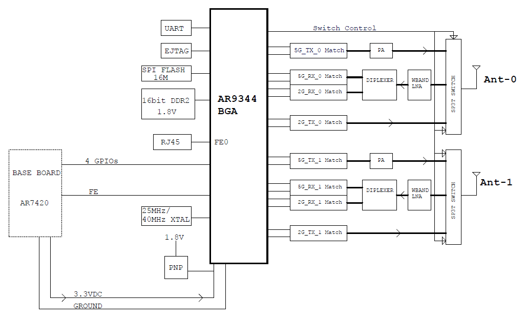
图片10.png

解决计划先容

车载大用户无线接入平台,,, ,,, ,支持最多40个用户500Kbps码流同时在线,,, ,,, ,支持60个用户小数据量接入同时在线;;;;;;;全车无死角无线笼罩计划。。。。。

典范应用

大巴娱乐系统

功效

支持802.11abgn
支持20/40MHz信道带宽
支持A-MPDU/AMSDU RX
SGI,,, ,,, ,Tx/Rx STBC,,, ,,, ,LDPC
WDS,,, ,,, ,Repeater,,, ,,, ,QWRAP
16 VAPs,,, ,,, ,WMM,,, ,,, ,WDS,,, ,,, ,DFS
支持WAPI协议

计划芯片

AR9344

乐成案例

【网站地图】【sitemap】